Rollläden - Alu-XL Box

Manuelles Modul für breite, hohe oder schwere Matten (vertikaler Lauf)

Die Alu-XL Box ist für eine manuelle Bedienung von breiten, hohen oder schweren Rollladenmatten, wie zum Beispiel Alu-XL, geeignet. Wie alle OSTERMANN-Boxen ist auch die Alu-XL Box mit nur wenigen Handgriffen eingebaut. Das System ist für einen nachträglichen Einbau geeignet.

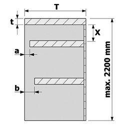
Planungshinweise

T:min. 280 mm
a:vorgesetzt min. 20 mm / innenliegend min. 21 mm
b:min. 30 mm (bei Schlössern ggf. mehr)
X:195 mm
t:19 mm (Seitenstärke)
Breite (Außenkorpusmaß):min. 490 mm / max. 1200 mm

Weitere Maße auf Anfrage


Montagehinweise

In nur 4 einfachen Schritten eingebaut.

Montage - so einfach geht’s:

  1. Box einsetzen und verschrauben
  2. Führungsprofile außen verschrauben
  3. Führungsprofile innen einclipsen
  4. Lisene aufstecken

Inhalt:

  1. 1 x Box
  2. 1 x Lisene
  3. 1 x Paar Führungsprofile innen aus Kunststoff
  4. 1 x Paar Führungsprofile außen aus Aluminium
Sprache
IT
© 2025 Rudolf Ostermann GmbH